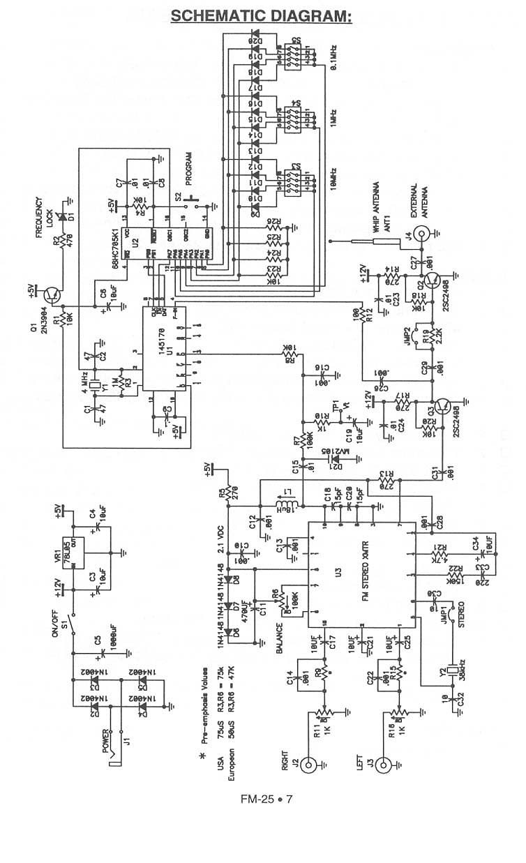
FM-25 Info.
Ramsey trying to go to the next level with it's FM xmitter kits
has released the FM-25. It is a true synthisized stereo FM broadcast
transmitter. It offers frequency stability not obtainable with
inductor/capacitor free running oscilator based circuits like the
FM-10 and others. The FM-25 has an export power option that brings it's
output power to about 80mw and the FM-25 is very easy to build
even though the part count is high. Once again Ramsey has done a great
construction manual, the strongest part of both the FM-10 and FM-25 kits.
The FM-25 does have some shortcommings. The output power is too great
for the final RF amplifier stage. The supplied power supply and case are
a little better than junk. Some of the circuit can be slightly modified
for greater performace in both output power and sound quality. Soon
I will be exploring solutions to some of these problems. John Ramsey
was kind enough to demo me a kit, and I'll be tweeking on it more
shortly.
Simple things that seem to make a big difference:
- First mount the thing in a nice metal box, this makes all the
differnace in the world, exspecially if you are going to run
an amp.
- Replace D6, D7 and D8 with a 3.1 voltage regulator made up
with a LM723 or simalar.
- Insert 1 to 10 uh coils between R14 and Q2, also between R17 and
Q3.
Nothing here yet except:
Last Updated October 31, 1995.
©1995 Mycal, All Rights Reserved