Ultimate Simple CES Machine
with multiple simultaneous frequency output
Hi, There. Me again. Just couldn't resist it ... !!
Please find below the Ultimate Simple CES machine!
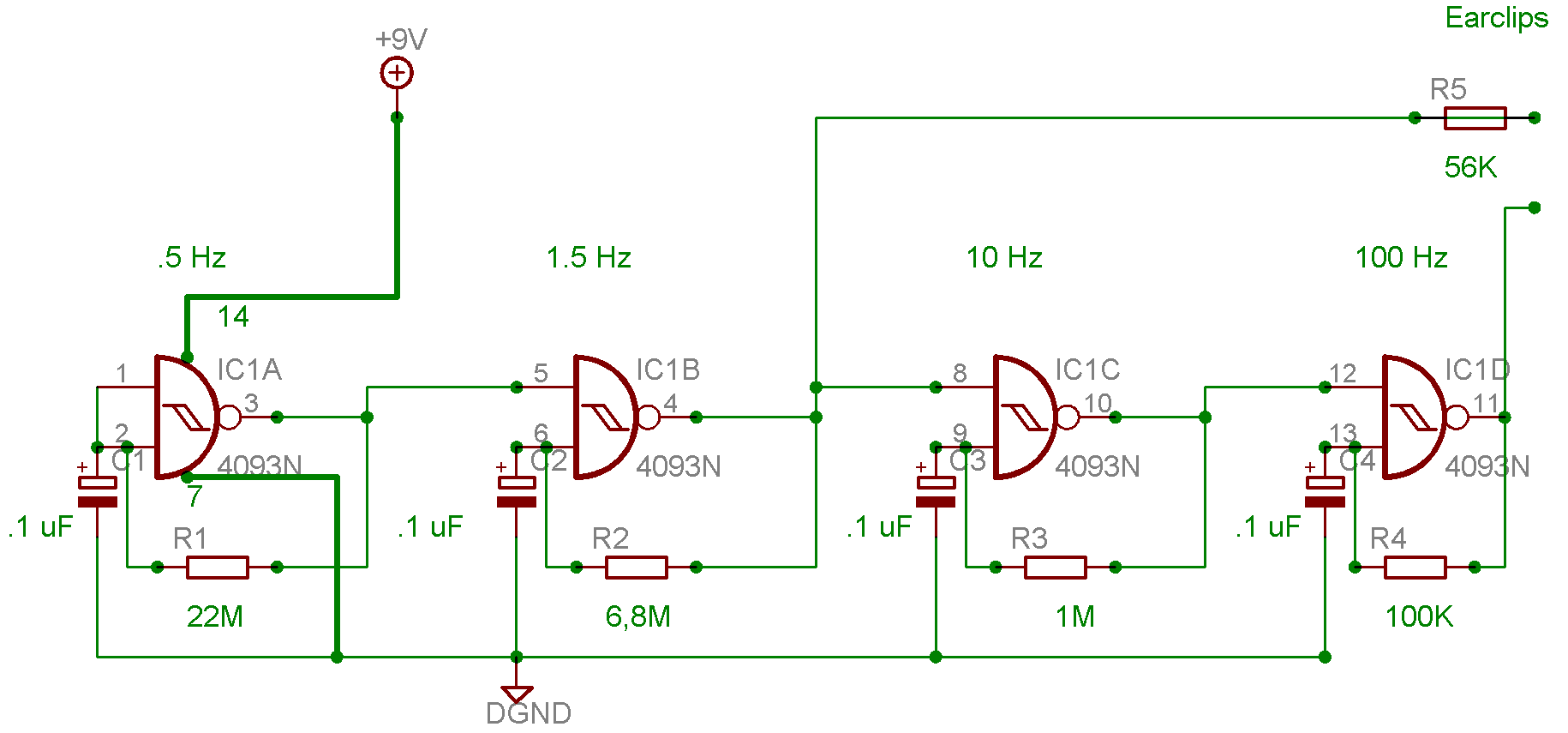
I've read Dr. Kirsch's book "The science behind CES" and noted the fact, in the hundreds of examples and cases which are lavishly commented upon, that 4 frequencies are consistently used ... viz. .5, 1.5, 10 and 100 Hz.
So a la Dr Bob Beck why not generate ALL the benificial frequencies simultaneously? For around 2 Bucks, excluding Case, earclips and battery, you can build such a beauty. So why not try it? You never know what might happen.
Suck it and SEE!
John-Alfred Ullasmann
2005/11/11

Ps. By substituting a 100K Pot in series with a 10K resistor for R5 in the above circuit, the current intensity can be varied between 80 and 900 MicroAmps ... Probably a good idea.