Back to RadioPhonePagers and Paging Protocols


NOTE 01/30/97: Yes, I have seen the March 97 Popular Electronics article on POCSAG decoding. I am reviewing their design and will post the results here.

U.K. Paging page.

Phrack Magazine published a good overview of paging. Most pagers today use the POCSAG signalling format, though new protocols ERMES and FLEX are gaining in popularity.

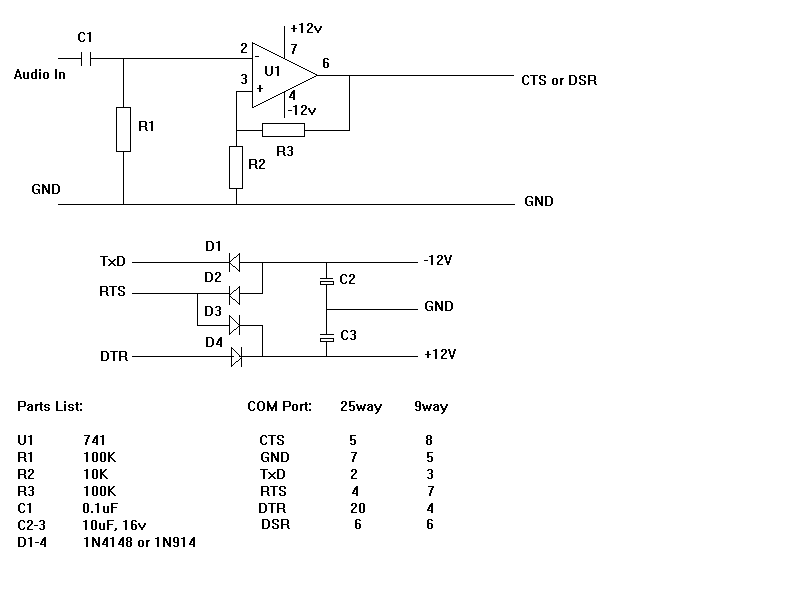
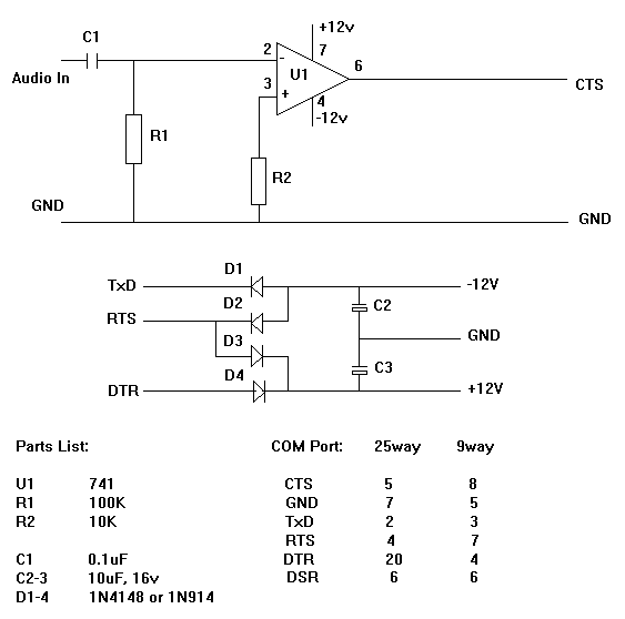
With a scanning radio receiver and a sound card on a system running Windows 95/NT, SemaSoft 1.15 or the Windows 16 bit version, you can decode POCSAG, no additional hardware required!. The disadvantages are that the current version only decodes the old, slow, and increasingly rare 512 bps rate, and that this demo only runs for 10 minutes at a time. POC32, by Deti Fliegl, has none of these disadvantages. If you don't have a soundcard, you can use this simple circuit. A slightly different circuit can be used with the MS-DOS program PD203 (this program is a demo version limited to 15 minute sessions). Once the data is acquired with PD203, it can be sorted with P-Base. Many scanners butcher the signal in their audio stages, so you might have to open up your scanner and tap the discriminator. Instead of using a scanner, it is possible to use the reciver board from a Bravo pager.

There is also an MS-DOS program PE-207 to encode POCSAG, useful only if you have a transmitter.

L0pht Heavy Industries will sell you their LHI POCSAG DECODER as an assembled unit or in kit form.You can spend a lot more money and buy a pre-made unit from Electronic Countermeasures or Radio Design Group.

Some places are using pagers for controlling other devices. One such application can switch on and off power at electric substations. This sounds like a possibly bad security hole.

The IXO protocol (variously known as IXO, PET, and TAP) allows for alphanumeric messages to be transmitted.

Tired of paying for paging service? Want to use a load of deactivated pagers for your own nefarious plans? Kantronics can sell you a TNC with POCSAG encoding capabilities for use with your amateur radio. You can retrofit the pagers yourself (with a new crystal) or Techno (DDL) will do it for you.

There are several Internet Gateways to paging services.

Pager Programming

Motorola Pager require an interface from the computer to the pager. You can either reverse-engineer Motorola's, or hack your own, and attach it.

Chart of Motorola programming software.

Many pagers require a password for programming.

Chart of frequencies, Providers, coverage,protocols, access numbers, and special cap codes.

Bravo Express self-test mode

Bravo self-test mode

UseNet Newsgroup for pagers, pager technology: tnn.comm.pager


Copyright 1994-1997 Sinister Networks. All rights reserved. May not be redistributed or modified without permission of Sinister Networks. Other names and marks used in here are the property of their respective owners, until and unless decided otherwise in a valid court of law. The absence of a service mark, trademark symbol or fnordmark in connection with the marks identifying products or services of other vendors does not indicate the absence of registration of those marks or devices. All marks identified herein are used or registered in the United States of America and may or may not be used and/or registered in other countries and planets.