A High-Power Broadband 300-Watt Amplifier


FCC WARNING - This equipment, in some instances, is capable of exceeding Part 15 of the Rules for low-power broadcasting. Please be aware that it is possible to use this equipment in a manner that can place you in violation of federal laws. Before you construct any of these projects, you should familiarize yourself with FCC rules with regard to radio transmission devices, and be aware of the boundry between legal operation and illegal, unauthorized operation. It is up to you to assume legal responsibility for your actions as you use this equipment.


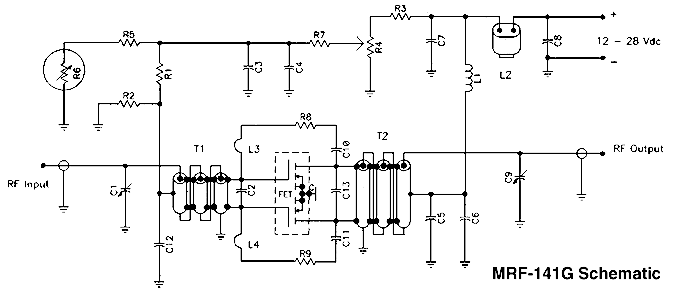
The following section will provide the enhanced Motorola schematic for a typical application for the MRF141G (including parasitic stabilization features), a broadband power RF MOSFET that will put out a conservatively-rated 300 watts across the FM broadcast band.

MRF141G schematic

R1 -1k Ohm, 1/2 W R8, R9 - 25 Ohm Microwave Power Resistor C8 - 0.47 uF Ceramic Chip
R2 -10k Ohm, 1/2 W C1, C9 - ARCO 402, 1.5-20 pF Compression Mica C13 - 300 pF, 2x150 pF Ceramic Chips
R3 - 330 Ohm, 2 W C2 - 200 pF Ceramic Chip L1 -10 Turns AWG #16 Enameled Wire
R4 -1k Trimpot C3 - 0.1 uF Ceramic Chip L2 - Ferrite Beads over AWG #16 Wire
RS - 6 8k Ohm, 1/4 W C4, C5, C12 -1000 pF Ceramic Chip L3, L4 - Lead Lengths of R8 and R9
R6 - Thermistor, 10K at 25 degC C6. C7 - 0.01 uF Ceramic Chip FET - MRF141G
Sk at 75 deg C   T1 - 9:1 RF Transformer
R7 - 2k Ohm, 1/2 W   T2 -1 :9 RF Transformer

Here are some layouts for the PC boards based on this circuit. The first photo is an actual shot of the finished amp showing component placement and the second one is your photo mask for the PC boards. All holes indicated by black dots MUST be connected to the solid foil side on the back of each board. These are the ground connections. A simple feed through, or a short piece of buss wire will do.

MRF141G component layout Actual photo of the completed 300-watt amplifier showing PCB Component Layout for MRF141G.
MRF141G photomask PCB Photomask for MRF141G

NOTE: These are TWO PC boards.


The flange on the MRF141G must be mounted to a heat spreader, a copper plate 5/16" thick and 6" x 8", which is then mounted to the heatsink with 6-32 machine screws, if the heatsink is drilled and tapped.

I recommend buying the two transformer assemblies, rather than trying to build them, because 15-ohm hardline is not easy to find. I have had good results ordering them from:

RF power systems
17827 North 26th St.
Phoenix, AZ 85032

1-602-867-0389

The part numbers are TUI-9F and TUO-9F and the cost is about $20 each.

This amplifier has the notable characteristic of variable gain control via the bias adjustment trim pot. It may be used in conjunction with an SWR bridge circuit to limit power output in the event of high SWR caused by damage to the antenna during a storm, or someone inadvertently disconnecting the coax transmission line. If you wish to implement a failsafe shutdown system that is triggered by loss of PLL lock, I still recommend a power supply cutoff relay for total safety however.

CAUTION: This amplifier operates at very high power levels. You can receive severe RF burns if coming in contact with open coax feeder from this amp. Furthermore, if your broadcast antenna is roof-mounted, and it should blow down in a windstorm while fed at full power from this amp, it may start a fire in certain types of roofing insulation! Be extremely careful with the usage, installation and operation of the unit.