FRB 6 Watt RF Amplifier Kit
Assembley Instructions


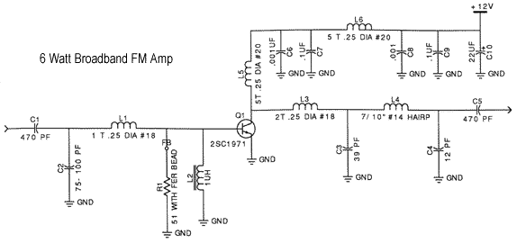
      Assemble by soldering the components to the pads indicated. Keep coil, resistor, and capacitor leads as short as possible. The coils should be 3/16" to 1/4" above the board and separate turns by one wire diameter. Bend leads to form a little mounting foot for soldering to the circuit board. Tuning and power output are affected by the distance between the coil turns, you can make fine adjustments by either spreading or compressing the coil slightly. The area surrounding the pads is ground. C2, C3, C4, C6, C7, C8, C9, C10, L2, and R1 are soldered at one end to ground as well as the shield braid on the coax cables. Bolt Q1 to a small heat sink or the chassis with heat sink thermal compound or gray thermal pad underneath the tab. With an input level of 200-500mw, you should see an output of 5-6 watts. Be sure to have a proper dummy load (50 ohms) or tuned antenna connected to the output, doing otherwise will likely destroy the transistor.

6 Watt RF Amplifier layout diagram


Schematic 6 Watt RF Amp Schematic


Parts List

Quantity
Description
Part Number(s)
2470 pF mica capacitorC1, C5
175 pF mica capacitorC2
139 pF mica capacitorC3
112 pF mica capacitorC4
20.001 uF disc or monolythic capacitor (marked either 102, .001, or 1n)C6, C8
20.1 uF disc or monolythic capacitor (marked either 104, .1, or 100n)C7, C9
110 to 22 uF electrolytic capacitor (observe correct polarity)C10
11 turn #18 tinned copper, 1/4" dia.L1
11 uH inductor, blue lumpy itemL2
12 turns #18, 1/4" dia.L3
17/10" #14, hairpinL4
25 turns #20, 1/4" dia.L5, L6
156 ohm resistor with ferrite bead over lead at the base of end of Q1R1
12SC1971 RF transistorQ1
2SO239 socket
2banana plug (1 each red and black)
2banana socket (1 each red and black)
1ferrite bead
44-40 nuts
44-40 bolts
RG174 coaxial cable
hookup wire
soldering lugs