Hardware interface

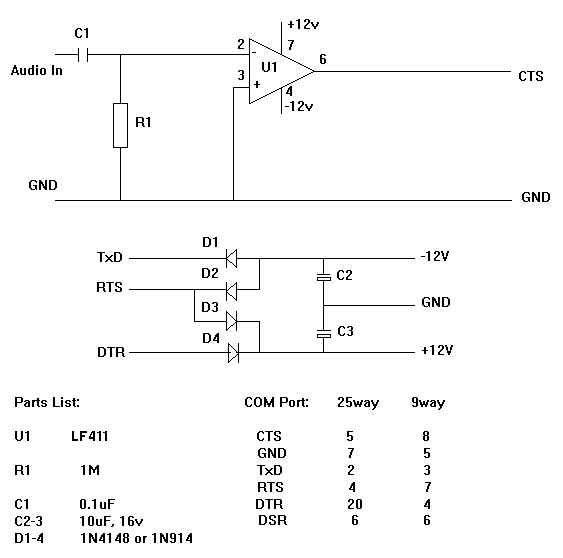
Here is the most basic 2 level FSK decoder.
This will decode pocsag but not Flex.

Here is The all bells and whistles 4 level Decoder

Printed Circuit board design