Interface Information


What is 2 and 4 level FSK?

When I say "2 level FSK" or "4 level FSK" I am referring to the carrier frequency of the transmitter. When your scanner's FM discriminator processes such a transmission, the output (ideally) will be a waveform jumping back between two discrete voltage levels (2 level FSK) or four discrete voltage levels (4 level FSK). The 2 level FSK interface simply detects the zero crossings that occur as you are switching from a '1' state to a '0' state or vice versa.

The 4 level FSK waveform carries two bits of information at the same time; your scanner for example may produce an -3,-1,+1, or +3 volt output to indicate a '11','01','00',or '10' respectively. You may well wonder how a 2 level FSK interface can work on a 4 level FSK FLEX transmission. The reason is that the two bits represent completely independent data streams. In the above example, a two level interface will produce a '1','1','0', or '0' in response to the 4 different possible voltage levels. You can see that one data stream can be properly received, the other data stream is completely lost, so you will end up missing perhaps half the paging messages.


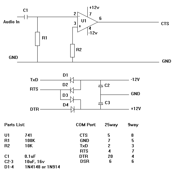
TWO LEVEL INTERFACE

2 Level FSK interface schematic

I believe I found this interface schematic at this site That site is well worth checking out since you can see all sorts of things this kind of interface can be used for.

This interface is very simple and takes its power from the computer's serial port. This particular version does not have a Schmitt trigger input and therefore is more suited to working with your discriminator output.


4 Level FSK interface

(Cheesiest is easiest)

4 Level FSK interface schematic

Here's the 4 level FSK interface. Basically, it can be looked at as some sort of horribly mutated 2 bit flash A/D convertor. Its purpose is to signal to the computer which of four possible voltage ranges the incoming signal is in at a given instant. As an example, let's say your scanner's discriminator output produces voltage levels of -3,-1,+1, and +3 volts when receiving a four level FSK signal. The peak detectors quickly charge up to +3 and -3 volts; the resistive voltage divider network derives three comparision voltages; and the comparator outputs will then show 0, 1, 2 or 3 lines high in response to the four different possible transmitted symbols. The program reads in received symbols simply by counting the number of modem status lines that are set.

This interface automatically adjusts to different carrier frequency offsets and frequency deviations affecting the DC offset and amplitude of your discriminator output (the resistive divider network bleeds off the voltage storage capacitors with a relatively long time constant).

I really prefer direct coupling between between the interface and the scanner's discriminator output. When doing this one must ensure that the positive peak detector sees voltage peaks above ground, and the negative peak detector sees voltage peaks below ground. This may require a level shifting circuit if your discriminator output has a voltage bias on it. On the other hand - AC coupling is a little simpler to get up and running; if it works well then you might want to stick with it. I found that the interface worked quite well AC coupled with a 0.1uF capacitor to the scanner's discriminator output and a 1 MegaOhm resistor at the op amp (probably anything above a few hundred kilohms should do fine). Also, I found that the peak detectors seem to be happier when working with signals a few volts peak-to-peak. My scanner's discriminator output didn't provide a signal quite large enough so I had to make the input buffer an amplifier of gain 2.

If you need to add some gain to your circuit you can modify the input buffer as shown below:

Input Buffer with gain

You may also want to add some sort of low pass filtering after the buffer amp, especially if the program's hang up counter increments at too high a rate. While you probably won't ever build a filter perfectly matched to the transmission characteristics, even a simple RC filter can help reduce the error rate. Here's what I'm using on my interface as a low pass filter:

Low Pass Filter

You will need to use an external +/-12V supply to power the interface - you cannot suck enough power out of the serial port status lines to get this circuit to work. It is possible to power your circuit from two 9V batteries for testing purposes until you come up with a permanent power supply.


Miscellaneous Tips / Interface Information

Your will need to tap the discriminator output of your scanner; you cannot use the filtered audio output of your scanner. If you need more information be sure to find the scanner discriminator tap point list that Bill Cheek periodically posts to rec.radio.scanner, you can probably also find it somewhere on Bill Cheek's home page (along with a lot of other scanner goodies - go and check it out).

Your scanner is obviously not designed for data reception. Still, since FLEX/ReFLEX 25 modes are designed to fit into 25KHz channel slots, your scanner's IF filtering should also be close to that width. Examining the discriminator output with an oscilloscope will quickly let you gauge how badly your scanner distorts incoming signals. You could also find that your IF section isn't exactly on center, so try tuning around a few kilohertz plus or minus the indicated frequency and see if you start getting fewer errors (example: I've seen one web page where someone found that his ICOM R7100 works best when tuned 2.5KHz high).

I would strongly suggest you start with the 2 level FSK interface first. See how well your particular scanner and computer works for this task. If the 2 level interface doesn't give you satisfactory performance then you probably shouldn't bother attempting the 4 level interface. As far as the 4 level interface goes - it's a little more complicated and you probably need to experiment around a little to get working with your scanner (if needed add in in some gain to make sure the peak detectors see a few volts peak-to-peak or maybe add in a RC filter somewhere).

As far as RF signal levels go: the stronger the better. At low signal levels you may find this program's output running off into the weeds every now and then.

What other uses does this 4 level interface have? The possibility exists that it could be used to collect data from certain high speed data tranmission networks (up to 19200 baud) and also to collect and decode Motorola's digitized voice transmissions (12000 baud). The higher baud rates will most likely require adding a dedicated microcontroller to the interface in order to offload the bit banging from the computer.


Troubleshooting the 4 Level Interface

Allright - your two level interface worked ok so you built the 4 level interface, started pocflex with the +I command line option, and nothing happened.

First, make sure that the -12v or -9v supply is connected to the quad op amp IC pin #11 and the LM339 IC pin #12 (this is one of those things I neglected to mention for the first few weeks this page has been up so you may have missed it).

Second, check the output of both peak detectors with a voltmeter. They should have roughly the same voltage relative to ground (remember - one will be negative, one positive). I believe the peak detector voltage magnitudes need to be on the order of a few volts for the interface to work properly. For example: on my interface I see about +2V on one peak detector output and -2V on the other peak detector output. You may need to add some gain to the input buffer (see the description in a previous section).

And if all else fails, try sending me some email.


Semi-Complete 4 level FSK Radio Shack Parts List

These interfaces are built with common garden variety parts that should be quite easy for you to round up. Even Radio Shack carries the necessary parts (or their equivalents) needed to build either of these interfaces. The following parts lists should give you an idea of what you need for the circuit itself (DC power supply parts are NOT included):

RS PART # PRICE Description
276-1711 $1.29 LM324 QUAD OP AMP (Substitue for TL074CN)
276-1712 $0.99 LM339 QUAD COMPARATOR
276-1999 $0.99 Two 14 PIN IC SOCKETS (*)
276-150 $1.19 PC BOARD
276-1538 $1.29 9 PIN Connector (for serial port)
272-997 $0.99 Two 2.2uF Capacitors
276-1069 $0.79 Two 0.1uF Caps (For AC coupling setup)
276-1620 $2.29 Fifty 1N914/1N4148 diodes
(Couldn't find smaller package)
271-1356 $0.49 Five 1 MegaOhm Resistors (AC coupling setup)
271-1339 $0.49 Five 22K resistors
271-1342 $0.49 Five 47K resistors
You'll find 'em 3x$0.49 Pack of 100Ohm,2.7K,15K resistors

GRAND TOTAL $12.76 for circuit; taxes and power supply not included.

(*)NOTE: Sockets are usually optional, but in this case Radio Shack's policy of selling parts from a manufacturer's reject pile make IC sockets absolutely MANDATORY.

This list should give you a rough idea of how much it costs to build this interface.


NAVIGATION

PROGRAM INFORMATION- - - - - FLEX INFORMATION- - - - - MAIN PAGE- - - - -