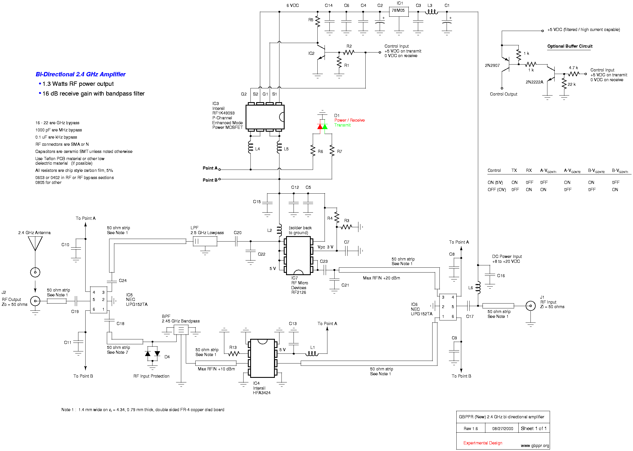
Bi-Directional 2.4 GHz One Watt Amplifier With Receive Pre-Amp


[2.4amp-new]
PostScript version.

Capacitors

Schematic Reference Value Description Package Supplier Supplier Part Number
C1 47 µF electrolytic, 20%, 35V SMT or leaded Mouser 5985-AVS35V47
C2 4.7 µF electrolytic, 20%, 35V SMT or leaded Mouser 5985-AVS35V4.7
C3 0.33 µF ceramic, X7R, 25V 1206 SMT Digi-Key 311-1180-1-ND
C4, C5, C6 0.1 µF ceramic, X7R, 16V 0603 SMT Digi-Key 311-1088-1-ND
C7, C8, C9, C10, C11, C12, C14 1000 pF ceramic, X7R, 50V 0603 SMT Digi-Key 311-1080-1-ND
C13 470 pF ceramic, X7R, 50V 0402 SMT Digi-Key 311-1028-1-ND
C15, C16, C17, C18, C19, C24  Note 1 22 pF Johanson ceramic 5%, 100V 0504 SMT Newark 48F4909
C20  Note 1 3.3 pF ceramic, +/- 0.25 pF, 50V NP0 0402 SMT Digi-Key 311-1008-1-ND
C21  Note 1 2 pF ceramic, +/- 0.25 pF, 50V NP0 0402 SMT Digi-Key 311-1006-1-ND
C22  Note 1 1.8 pF ceramic, +/- 0.25 pF, 50V NP0 0402 SMT Digi-Key 311-1004-1-ND
C23  Note 1 1.6 pF ceramic, +/- 0.25 pF, 50V NP0 0402 SMT Digi-Key 311-1003-1-ND (1.5 pF)

Inductors

Schematic Reference Value Description Package Supplier Supplier Part Number
L1 15 nH 2% 0603 SMT Digi-Key PCD1296CT-ND
L2 4.7 nH 2% 0603 SMT Digi-Key PCD1290CT-ND
L3, L4, L5 31 Ohm @ 100 MHz ferrite bead, IDC 500 mA 1206 SMT Digi-Key 240-1028-1-ND
L6 12.5 nH Delevan air core, 5% SMT Digi-Key DN4004-ND

Resistors

Schematic Reference Value Description Package Supplier Supplier Part Number
R1 22000 Ohm film, 5% 0603 SMT Mouser 301-22k
R2 4700 Ohm film, 5% 0603 SMT Mouser 301-4.7k
R3, R4 1000 Ohm film, 5% 0603 SMT Mouser 301-1k
R5 330 Ohm film, 5% 0603 SMT Mouser 301-330
R6, R7 180 Ohm film, 5% 0603 SMT Mouser 301-180
R13 33 Ohm film, 5% 0603 SMT Mouser 301-33

Diodes

Schematic Reference Value Description Package Supplier Supplier Part Number
D1 Red / Green dual color LED T-1 3/4 Digi-Key 67-1124-ND
D4  Note 2 Schottky barrier diode, series configuration SOT-23 Digi-Key ZC2812ECT-ND

Integrated Circuits / Transistors

Schematic Reference Value Description Package Supplier Supplier Part Number
IC1 78M05 5 volt regulator, 500 mA SMT Mouser 511-LM78M05CV
IC2 2N2222A NPN SOT-23 Mouser 592-MMST2222A
IC3 RF1K49093 Intersil p-channel enhanced mode power MOSFET SOP-8 Newark 66F3188
IC4 HFA3424 Intersil 2.4 GHz low noise amplifier SOP-8 Allied 903-0400
IC5, IC6 UPG152TA NEC L-band SPDT MMIC switch SOT-26 Mouser 551-UPG152TA
IC7 RF2126 RF Micro Devices 1 Watt 2.4 GHz power amplifier SOP-8 Cracker Jack Box

Other

Schematic Reference Value Description Package Supplier Supplier Part Number
LPF  Note 3 LTF-3216L-F2R4G Toko chip low pass filter 1206 SMT Digi-Key TKS3012CT-ND
BPF  Note 3 4DFA-2450T-10 Toko 3 pole band pass filter Digi-Key TKS2618CT-ND
6 x 6 inch 1/32 inch double sided, 1 oz, FR-4 dielectric copper clad board Digi-Key PC45-S-ND
J1, J2 PCB mount SMA jacks Mouser 530-142-0701-801
0.020 inch silver solder Radio Shack 64-013

Notes

[1]  You can also use porcelain SMT capacitors which are available from American Technical Ceramics or Down East Microwave.
[2]  Optional RF input protection.  Any quality microwave diodes will work.  Should be in a SMT package.
[3]  Optional filters, not needed but highly recommended.

You are better off buying the SMT resistors from Mouser in groups of 100 each.  They only cost $1.90 and they usually throw in a few extra.

Suppliers