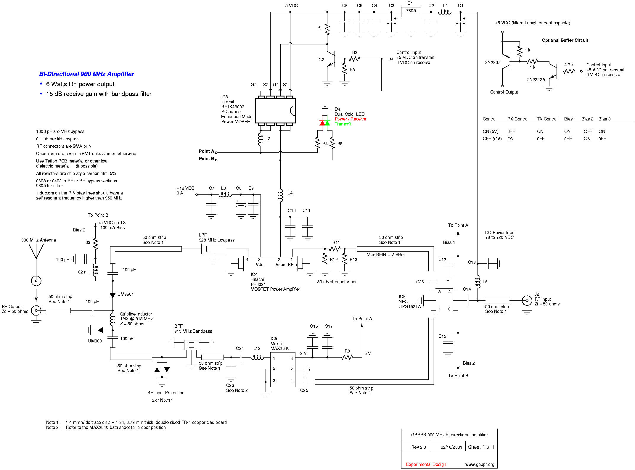
Bi-Directional 900 MHz Six Watt Amplifier With Receive Pre-Amp


[915amp]
PostScript version.

Capacitors

Schematic Reference Value Description Package Supplier Supplier Part Number
C1 47 µF electrolytic, 20%, 35V SMT or leaded Mouser 5985-AVS35V47
C8 10 µF electrolytic, 20%, 35V SMT or leaded Mouser 5985-AVS35V10
C3 4.7 µF electrolytic, 20%, 35V SMT or leaded Mouser 5985-AVS35V4.7
C2 0.33 µF ceramic, X7R, 25V 1206 SMT Digi-Key 311-1180-1-ND
C4, C5, C7, C10, C17 0.1 µF ceramic, X7R, 16V 0603 SMT Digi-Key 311-1088-1-ND
C6, C9, C11, C12, C15 1000 pF ceramic, X7R, 50V 0603 SMT Digi-Key 311-1080-1-ND
C16, C24 470 pF ceramic, NP0, 50V 0603 SMT Digi-Key PCC1955CT-ND
C13, C14, C18, C20, C21, C22 100 pF Johanson ceramic, 5%, 200V 0805 SMT Newark 48F4916
C25 3 pF ceramic, +/- 0.25 pF, NP0, 50V 0603 SMT Digi-Key 311-1052-1-ND
C23 2 pF ceramic, +/- 0.25 pF, NP0, 50V 0603 SMT Digi-Key 311-1051-1-ND

Inductors

Schematic Reference Value Description Package Supplier Supplier Part Number
L11 82 nH Toko LL1608FH, 5% 0603 SMT Digi-Key TKS3722CT-ND
L12 9.85 nH Coilcraft 1606 aircore, 5% SMT Coilcraft 1606-95
L1, L2, L3, L4 68 Ohm @ 100 MHz ferrite bead, IDC 3000 mA 1206 SMT Digi-Key P10437CT-ND
L6 82 nH 5 turn air core, 0.25 inch I.D and length SMT

Resistors

Schematic Reference Value Description Package Supplier Supplier Part Number
R3 22000 Ohm film, 5% 0603 SMT Mouser 301-22k
R2 4700 Ohm film, 5% 0603 SMT Mouser 301-4.7k
R11 820 Ohm film, 5% 0603 SMT Mouser 301-820
R8 560 Ohm film, 5% 0603 SMT Mouser 301-560
R1 330 Ohm film, 5% 0603 SMT Mouser 301-330
R10 33 Ohm film, 1/2W, 5% leaded
R4, R5 180 Ohm film, 5% 0603 SMT Mouser 301-180
R12, R13 51 Ohm film, 5% 0603 SMT Mouser 301-51

Diodes

Schematic Reference Value Description Package Supplier Supplier Part Number
D3, D4 UM9601 PIN diode surface mount Down East Microwave
D5 Red / Green dual color LED T-1 3/4 Digi-Key 67-1124-ND
D2  Note 1 Schottky barrier diode, series configuration Mouser

Integrated Circuits / Transistors

Schematic Reference Value Description Package Supplier Supplier Part Number
IC1 7805 5 volt regulator, 1500 mA TO-220 Mouser 511-L7805CV
IC2 2N2222A NPN SOT-23 Mouser 592-MMST2222A
IC3 RF1K49093 Intersil p-channel enhanced mode power MOSFET SOP-8 Newark 66F3188
IC4  Note 3 PF0031 Hitachi MOSFET cellular phone power amplifier Module RF Parts
IC5 MAX2640 Maxim 900 MHz low noise amplifier SOP-8 Free sample
IC6 UPG152TA NEC GaAs MMIC SPDT RF switch SOT-26 Digi-Key UPG152TA-ND

Other

Schematic Reference Value Description Package Supplier Supplier Part Number
LPF  Note 2 LTF-3216L-FR90A Toko chip low pass filter SMT Digi-Key TKS3003CT-ND
BPF  Note 2 4DFB-915E-10 Toko 3 pole band pass filter Digi-Key TKS2617CT-ND
6 x 6 inch 1/32 inch double sided, 1 oz, FR-4 dielectric copper clad board Digi-Key PC45-S-ND
J1, J2 PCB mount SMA jacks Mouser 530-142-0701-801
0.020 inch silver solder Radio Shack 64-013

Notes

Part numbers are for reference only.  Alternate components may be substituted.

[1]  Optional RF input protection.  Any quality microwave diodes will work.  Should be in a SMT package.
[2]  Optional filters, not needed but highly recommended.
[3]  The Hitachi PF0031 is available from RF Parts for $30.

Schematic references are not in numeric order due to constant revisions.

You are better off buying the SMT resistors from Mouser in groups of 100 each.  They only cost $1.90 and they usually throw in a few extra.

Suppliers