| YIG Oscillator and Filter Notes |
Overview
Random collection of notes, schematics, datasheets, and pictures for YIG-based oscillators, multipliers, filters, etc.
Notes & Resources
- An Overview of Microwave Design Considerations for Swept Sources A good look at the YIG filter/multiplier used in HP microwave RF signal generators.
- Standard Oscillator, Filter and Multiplier Driver Adjustment Procedure Micro Lambda Wireless, Document No. 201.202 (428k PDF)
- YIG Drivers - Application Note Micro Lambda Wireless (415k PDF)
- YIG-Tuned Oscillators - Definitions Micro Lambda Wireless (110k PDF)
- Microsource YIG Product Catalog (1986) (10.0M PDF)
- Drive Circuit for YIG-Tuned Devices U.S. Patent 4,581,594 (62k PDF)
- YIG Oscillator A really cool homemade YIG oscillator project by Donald Benson & Ali Tatari, San Jose State University Fall 2009, EE 172 (3.4M PDF)
- HP 5086-7903 YIG Oscillator Control PCB & Schematic (575k PDF)
- HP 5086-7903 YIG Pin-Out
- 5086-7906 is the YIG (3.0-7.0 GHz) used in the HP8563E.
- 5086-7267 is the YIG (3.8-6.2 GHz) used in the HP86222A plug-in.
- 5086-7131 is the YIG (2.0-6.2 GHz) used in ?
- 5068-7350 is the YIG (2.0.4.5 GHz) used in ?
- 86222-60007 is the 3.8 GHz cavity oscillator used in the HP86222A plug-in (+9 dBm, -10V, +20V)
- Isolator: 0960-0638 = PMI-8984 = WMI 16453 / 2.0-7.5 GHz, 20 dB ISO
- Isolator: 0960-0362 = RTY Industries Model No. 200996 = WML PMI-4444-2 / 2.0-6.2 GHz, 20 dB Iso.
- Isolator: 0955-0178 = TRW/Aertech AMF6567 / 6-18 GHz, Unk. Iso
- WMI PMI-444-2 Isolator
- YIG Filter: HP 0960-0473 = Yig-Tek 183-60 = Avantek S082-0959 (1.7-22 GHz, 62-72 MHz BW, 10 dBm IL MAX, HP8569B) [Yig-Tek Pinout = J1: RF input, J1: RF output w/ 3dB, A: YTF Coil+, C: HTR+ 24V, B: HTR RTN, D: YTF Coil-]
- HP YIG Oscillator Tear Down - HP 5086-7781 EEVblog thread.
- HP 5086-7515 YIG Oscillator - Picture #1 (Picture #2)
- HP 5086-7314 YIG Oscillator Datasheet (62k PDF)
- HP 5086-7067 YIG Oscillator Pin-Out FM +/- pins reversed?
- DJ9KW's HP Repair Chronicles - YTO HP 5086-7906 YIG oscillator bonanza.
- MicroLambda MLMY-1071-1 3-8 GHz YIG-Tuned Oscillator
- Philips / Sivers Lab PM7020 2.1-8.3 GHz YIG Oscillator
- Avantek ASF-8368M 2.0-4.1 GHz YIG-Tuned Oscillator
- HP 8753C Network Analyzer: Spare YTOs Well-documented YIG experiments from SimonsDialogs.
- A Quick Look at the HP 5086-7259 YIG Oscillator
- How Does a YIG-Tuned Oscillator Work? In this video, Kerry Wong explains the operation principle of a YIG tuned oscillator and demonstrated the tuning of an HP 5086-7023 YIG oscillator (2.7-4.2 GHz).
- Connecting the HP 5086-7023 YTO by Joseph Haas (KE0FF) (314k PDF)
- YIG Tuned Oscillator (YTO) / YIG Tuned Filter (YTF) Driver: Digitally-Controlled Current Source
- Phase-Locked Sources for LMDS and MVDS Applications Microwave Journal, April 1997 (33k PDF)
- A Simple Approach to YIG Oscillators by Bernd Kaa, DG4RBF. VHF Communications, 4/2004 (1.7M PDF)
- Designing_YIG_Drivers by A. S. Nagarajan & R. Prema. Def. Sci. J, Vol. 32, No. 3, July 1982 (784k PDF)
- Avantek Octave-Band YIG-Tuned Oscillators - Datasheet (202k PDF)
- Avantek AV-Series YIG-Tuned Oscillators
- Dual-Loop YIG Control Schematic National Radio Astronomy Observatory (PDF)
- A Synthesized, 90-120 GHz Signal Source Using a WJ-5610-302F YIG and multiplier. National Radio Astronomy Observatory
- A Sweep Generator Using a YIG Oscillator by John Petrich, W7HQJ
- Teledyne Microwave YIG Oscillator Product Catalog (822k PDF)
- EIP Comb Generator - Tuning Curve
- YIG-Tuned Bulk GaAs Oscillators Watkins-Johnson Tech Notes, Vol. 1, No. 5 - September/October 1974 (3.3M PDF)
- Wideband YIG-Tuned Oscillators Watkins-Johnson Tech Notes, Vol. 13, No. 5 - September/October 1986 (4.2M PDF)
- YIG-Tuned FET Oscillator Design - 8-18 GHz Watkins-Johnson Tech Notes, Vol. 6, No. 5 - September/October 1979 (4.7M PDF)
- Ka-Band YIG-tuned GaAs Oscillators Watkins-Johnson Tech Notes, Vol. 2, No. 5 - September/October 1975 (3.4M PDF)
- YIG-tuned Integrated Devices Watkins-Johnson Tech Notes, Vol. 4, No. 5 - September/October 1977 (4.0M PDF)
- Notes on the WJ-5008 YIG Oscillator
- YIG Driver #526b by Dick Plambeck. Circuit designed by Doug Thornton, 1986. (354k PDF)
- An Introduction to YIG-Tuned Oscillators by Dave Castetter (73k PDF)
- OMNIYIG YIG Harmonic Multipliers & Comb Generators - Applications Notes (1.8M PDF)
- Varian VSL9061AE YIG Warm-Up - With No Heat Sink (With Heatsink)
- Watkins-Johnson WJ-6708-7DF YIG Oscillator Information
- Watkins-Johnson Launches New YIG Oscillators
- Watkins-Johnson WJ-6713-1 Tuning Curve
- Endwave MiniYIG 3 - 11 GHz YIG-tuned oscillators.
- Notes on MicroSource MSS252-791-002 Synthesizer Modules Includes a 13 GHz YIG oscillator (Q3236) and frequency doubler to 26 GHz. Requires a 960 MHz reference input signal.
- Notes on Stellex YIG Synthesizer Performance and Control by KE5FX
- 0.5 - 12 GHz Stellex PLL YIG Synthesizer - Page 1
- 0.5 - 12 GHz Stellex PLL YIG Synthesizer - Page 2
- 0.5 - 12 GHz Stellex PLL YIG Synthesizer - Page 3
- Sirenza SNA-176 MMIC
- United Monolithic Semiconductors CND2050 Divide-by-4
- National LMX2326 PLL synthesizer
- TCA3072 High-current op-amp
- MtronPTI 10 MHz VCTCXO 10 MHz reference
- Overview of the Stellex YIG Control Board
- Stellex YIG PLL - Stand-Alone LCD Controller by YO4HFU
- The Ultimate Plug-and-Play Stellex Mini-YIG Synthezizer controller by Luis Cupido
- 10 GHz... Almost There! Stellex control using the LPC11U14 MCU for the NXP LPCXpresso toolchain, by Dave Donley (KK6UQN)
- Design of a YIG-Tuned Oscillator by Tien Liang Jin (4.5M PDF)
- Power Op-amps Rock - Driving a YIG Oscillator With a L272 dual op-amp which can source or sink 1A continuously.
- YIG & YANG Yet ANother yiG Drivr, by Dimitri Stolnikov, OsmoDevCall #5 (3.8M PDF)
- Video: OsmoDevCall #5 - YIG & YANG (Yet ANother yiG driver) by Dimitri "horiz0n" Stolnikov (Slides & Notes)
- YIG ?????, It's Not Complicated by F6BON (French)
- Watkins-Johnson WJ-5041-97 YIG-Tuned Oscillator - Picture #1 12.3-18.5 GHz / -11.2V Bias (Picture #2) (Pin-Out)
- Watkins-Johnson WJ-5122-18 YIG-Tuned Oscillator - Picture #1 2.16-4.16 GHz (Picture #2)
- Watkins-Johnson WJ-6840-101F YIG-Tuned Oscillator 20-26.5 GHz
- Phase Locking a YIG Oscillator for a Microwave Synthesizer Project EEVblog thread.
YIG Filters
- YIG-Tuned Filters - Definitions Micro Lambda Wireless (145k PDF)
- Internal View of HP 0960-0437D YIG Filter - Picture #1 (Picture #2)
- YIG Filters Philips tech. Rev. 32 (1971) (2.7M PDF)
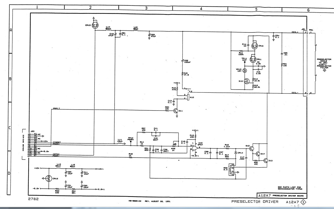
- Schematic: YIG-Tuned Filter as a Preselector
- Wide-Band Electronically Tunable Filters Watkins-Johnson (1962) (1.1M PDF)
- Teledyne YIG Filters & Oscillators (1.9M PDF)
- A Systematic Way to YIG Filter Design (311k PDF)
- YIG Filters and Envelope Limiters by R. C. Cumming (1965) (1.5M PDF)
- Avantek YF84-2821 YIF Filter Datasheet
- Six-Stage YIG Filters Watkins-Johnson Tech Notes, Vol. 15, No. 5 - September/October 1988 (4.5M PDF)
- Watkins-Johnson WJ-5224-3 YIG Filter Operating Instructions (903k PDF)
- Notes on the WJ-643-21 YIG Filter
- Figuring Out the Details of the Avantek S082-0959 YIG Filter
- Tracking YIG-Tuned Filter-Mixer U.S Patent No. 4,817,200 (HP)
Knowledge is Power