Projects
Students will work in teams of 3 to build their radar, and conduct a sequence of experiments as the radar kit is implemented. You will bring your radar kit into the field and perform additional experiments such as measuring the speed of passing cars or plotting the range of moving targets. A final SAR imaging contest will test your ability to form a SAR image of a target scene of your choice from around campus; the most detailed and most creative image wins.
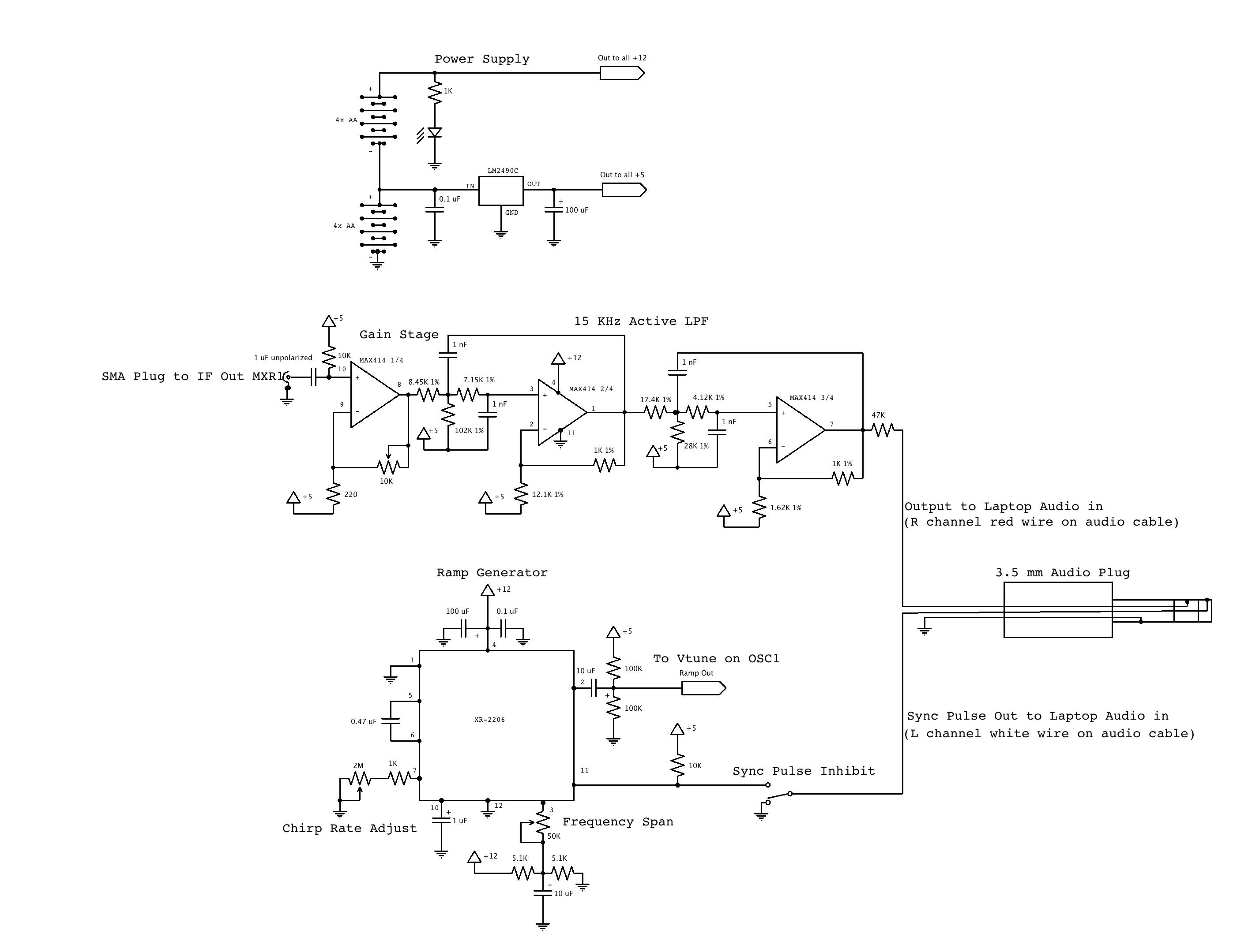
Radar Features
- Coherent FMCW architecture
- S-band
- Uses coffee cans for transmit and receive antennas
- 6 mini-circuits components
- 1 quad op-amp as video gain stage and anti-alias filter
- Analog ramp generator with trigger output
- Connects to audio input of your computer for digitization of video and triggering
- Records a .wav file of your experiments
- MATLAB® scripts read the .wav files and sort out triggered pulses and groups of pulses to process the 3 modes of operation
- 3 modes of operation include; doppler vs. time, range vs. time, Synthetic Aperture Radar imaging
Radar Design
Radar System design slides: block diagram, schematics, bill of material, and fabrication instructions (PDF - 3.9MB)
Block diagram (high resolution image) (JPEG)
Circuit schematics (high resolution image) (JPEG)
MATLAB is presumed installed on your laptop. Some MATLAB code is supplied below for each experiment. (The utility dbv.m is a function which takes the 20*log10(abs(your radar signal)) — used throughout the experiments.)
Experiments
| EXPERIMENTS | SUPPORTING FILES |
|---|---|
| Experiment 1: Doppler vs. time (PDF) | MATLAB and sample WAV (ZIP - 5.6MB) (This ZIP file contains: 2 .m and 1 .wav files.) |
| Experiment 2: Ranging vs. time (PDF) | MATLAB and sample WAV (ZIP - 12.5MB) (This ZIP file contains: 2 .m and 1 .wav files.) |
| Experiment 3: SAR imaging (PDF) | MATLAB and sample WAV (ZIP - 44.5MB) (This ZIP file contains: 2 .jpeg, 3 .m, 1 .mat and 1 .wav files.) |
Selected Final Results
Presentation of student field experiment final results (PDF - 4.5MB)
Selected student team websites


